« I2L 2025 Groupe1 » : différence entre les versions
| Ligne 54 : | Ligne 54 : | ||
Pour avoir des valeurs de délai correctes, l'AVR utilise une fréquence de 8Mhz sans diviseur. | Pour avoir des valeurs de délai correctes, l'AVR utilise une fréquence de 8Mhz sans diviseur. | ||
'''- 16/10/2025 :''' | |||
Programmation du joystick (bouton et mouvement) pour allumer les LED et activer le buzzer. Les LED sont progressivement allumées et la fréquence du buzzer augmente en fonction de l'avancée du joystick. | |||
Programmation de l'écran OLED. | |||
= Extraits significatifs de code (étudiants) = | = Extraits significatifs de code (étudiants) = | ||
Version du 16 octobre 2025 à 07:27
Proposition de système (étudiants)
L'idée de notre projet est d'avoir différents boutons programmables, qu'on puisse assigner à différentes actions tel que la gestion du volume : volume up, down, mute, ou encore, next track, previous track, etc...
On aura un écran LCD sur lequel il sera possible d'afficher le nouvel état (ex: nouveau volume ou nouveau média).
Contre-proposition (intervenant)
Le périphérique USB à émuler est un clavier. Vous pourrez simuler plus de touches que disponibles sur la carte électronique en utilisant des menus sur l'écran intégré à la carte.
Une bibliothèque pour gérer le contrôleur graphique SDD1306 est disponible [1].
Proposition définitive (étudiants)
Répartition du travail (étudiants)
Carte
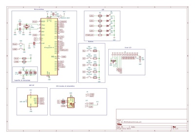
Schéma initial (étudiants)
- schéma (projet KiCAD) : Fichier:I2L-2025-Carte-G1.zip
Carte routée (intervenant)
Vous utiliserez la carte avec l'écran OLED. Vous avez 4 touches et un joystick pour vos actions. La difficulté est d'utiliser l'écran OLED.
Composants (intervenant)
Au 9 octobre 2025, il manque un écran OLED.
Au 15 octobre 2025, l'écran OLED est disponible.
Carte réalisée (intervenant)
La carte est entiérement soudée. Eventuellement vous pouvez demander l'ajout d'un buzzer.
Travaux (étudiants)
- 13/10/2025 :
Programmation des boutons pour activer les différentes led.
Les boutons haut, bas, gauche et droite allument chacun une led. Chaque LED reste allumée tant que le bouton est appuyé.
Le bouton du milieu permet lui d'allumer les 4 LED, elles restent allumées tant qu'il est appuyé. Lorsque le bouton est laché, un delai d'une seconde est activé avant d'éteindre les LED.
+ début joystick
Pour avoir des valeurs de délai correctes, l'AVR utilise une fréquence de 8Mhz sans diviseur.
- 16/10/2025 :
Programmation du joystick (bouton et mouvement) pour allumer les LED et activer le buzzer. Les LED sont progressivement allumées et la fréquence du buzzer augmente en fonction de l'avancée du joystick.
Programmation de l'écran OLED.
Extraits significatifs de code (étudiants)
Rendus (étudiants)
Projet KiCAD : Fichier:I2L-2025-Carte-G1-final.zip
Programmes :
- microcontrôleur : Fichier:I2L-2025-Programmes-uC-G1.zip
- ordinateur Fichier:I2L-2025-Programmes-PC-G1.zip