SE3 2025/2026 EC5

De wiki-se.plil.fr
Aller à la navigation Aller à la recherche

Objectifs

Réaliser, en C, un copieur de carte micro-SD avec un Raspberry Pi Pico SC0915  :

  • commencez par concevoir une carte électronique pour connecter deux connecteurs de carte micro-SD au SC0915 ;
  • les deux connecteurs de cartes micro-SD doivent être connectées sur les deux bus SPI ;
  • ajoutez un bouton et une LED connectés aux E/S du microcontrôleur ;
  • réalisez la carte, i.e. soudez les connecteurs pour le SC0915, les connecteurs micro-SD, la LED, sa resistance et le bouton ;
  • écrivez un programme pour effectuer la copie complète de la première micro-SD sur la seconde :
    • lisez un bloc de la première carte en mémoire ;
    • écrivez le bloc sur la second carte ;
    • indiquez avec la LED qu'un bloc a été copié avec succès ;
    • passez au bloc suivant ;
    • en cas d'erreur indiquez sa nature avec la LED.

Matériel nécessaire

  • Raspberry Pi Pico SC0915 avec câble USB ;
  • connecteurs femelles pour PCB ;
  • 2 connecteurs pour carte micro-SD ;
  • LED et résistance 0603 impérial ;
  • bouton traversant ;
  • 2 carte micro-SD pour les tests.

A venir, des indications pour écrire le programme C.

Travail réalisé

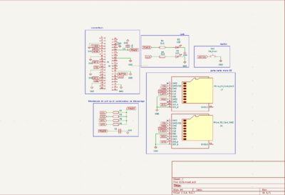
Schéma électronique de la carte :

Mon schéma électronique

Résultat du routage :

Mon routage

Photo de la carte soudée :

Vidéo très courte et en basse résolution de la carte en fonctionnement :

Média:2025-EC5-PROG-video.mp4

Programmation

Bilan

Première étape: recherche des symboles et des composants et de leur empreinte sur Kicad

fichiers importés pour le Raspberry Pi SC0915 -> https://www.snapeda.com/parts/SC0915/Raspberry%20Pi/view-part/

Deuxième étape: réalisation de la schématique

Troisième étape: réalisation du routage (et quelques modifications de la schématique pour faciliter cette étape)

Documents Rendus

Les fichiers seront postés sur git : https://gitea.plil.fr/mbonjour/EC5